|
|
 |
 |
|
Die Webasto Standheizung (Wasserheizung) aus dem alten Fahrzeug habe ich in den Multivan eingebaut und mit einigen Fotos dokumentiert:
|
 |
 |
|
Es ist eine mit Diesel betriebene Heizung von Webasto, Typ “Thermo Top S” mit einer separaten Kraftstoffpumpe (nicht auf dem Bild).
|
|
|
Einbauort ist die Ecke zwischen Rücklicht und Batterie. Dort kann man den Auspuff gut nach unten wegleiten und die Heizung ist gut aufgeräumt (kein Salzwasser ...).
|
|
|
 |
 |
|
Der Brenner wird in einem zweiteiligen Halter festgeschraubt. Die grossen Löcher unten sind für den Auspuff und die Verbrennungsluftzufuhr.
Der Auspuff hat an einem Ende eine Platte, die in den Halter geschraubt wird.
|
 |
 |
|
Auf den folgenden Bildern ist der Halter zu sehen bzw. wie die Löcher zu bohren sind (SKIZZE). Der Halter ist schräg montiert, damit die
Wasserschläuche an der Batterie vorbeigeführt werden können.
Außerdem ergibt sich dann hinter der Heizung und der Batterie ein Platz für Relais und Sicherungshalter.
|
|
|
 |
 |
|
bei ausgebauter Batterie kann man die montierte Heizung und die Wasserschläuche sehen.
|
|
|
|
 |
 |
|
Mit Batterie sieht man von der Heizung fast nichts mehr, muss man aber auch nicht.
Über die Wasserschläuche habe ich flexible Kunststoff-Rohre (Elektro-Verlegematerial) geschoben um sie vor der Batteriesäure zu schützen.
|
|
|
|
 |
 |
|
An der Unterseite der Heizung muss man beim Einbau eine Dichtung um die Auspufföffnung einlegen. Sie dichtet dann zwischen Heizung und Auspuffplatte.
Beim Wiedereinbau ist diese zu erneuern.
|
|
|
|
 |
 |
|
Das ist der alte Auspuff mit dem Schalldämpfer, jedoch ohne Auspuffplatte. Diese ist normalerweise angeschweisst, war aber “abgefault”.
Auf den Bildern unten ist der Auspuffverlauf zu erkennen (hinter dem Hinterrad). Zur Befestigung des Schalldämpers habe ich einen Winkel gebogen.
|
|
|
|
 |
 |
|
Dieses Kabelgewirr wartet noch auf den Einbau ...
|
|
|
Der Sicherungshalter für die Standheizung lässt sich im im restlichen Platz zwischen Heizung und Batterie unterbringen.
|
|
|
|
 |
 |
|
Die Leitungen unter dem Fahrzeugboden (zu Schaltuhr und Heizungsgeblaese) habe ich in einem Installationsrohr verlegt.
Die dünnen Wasserschläuche zum Heizungswärmetauscher sind an allen gut erreichbaren Stellen mit selbstklebendem Isoliermaterial umwickelt (Baumarkt, Sanitärabteilung). Damit das warme Wasser auch vorne
ankommt...
|
|
|
|
 |
 |
|
Die Kraftstoffpumpe einzeln und am Fahrzeugrahmen befestigt:
|
|
|
|
 |
 |
|
Mit dem T- Stück wird der Kraftstoff am Fahrzeugtank abgezapft.
ACHTUNG: drucklose Rücklaufleitung von der Einspritzpumpe zum Tank anzapfen, das war bei mir auf der Fahrerseite.
|
|
|
|
 |
 |
|
Der Verlauf des Kraftstoffschlauchs, der Kühlwasserschläuche und des Elektroinstallationsrohres im Motorraum
|
|
 |
 |
|
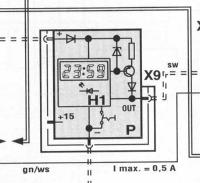
Die Bilder oben zeigen den elektrischen Anschluß der Schaltuhr. Die Tabelle rechts zeigt den Stecker wie in der Zeichnung darüber, also von der “Lochseite” die man in die Uhr einsteckt.
|
|
 |
|
|
|
links oben: nicht benutzt
|
rechts oben: schwarz (OUT)
|
|
braun (Masse)
|
rot (12V Dauer +)
|
|
|
|
|
 |
 |
|
Hinter dem oberen Kühlergrill kann man in den vorhandenen Leitungsdurchführungen gut noch einige Leitungen in Richtung Lenkrad durchschieben (für Schaltuhr und Lüftung)
|
|
 |
 |
|
Hinweis zum Anschluss ans Kühlwasser: vorn am Zylinderkopf kommt das warme Wasser vom Motor normalerweise heraus, wird am Anlasser vorbei geleitet und dann in Richtung Heizungswärmetauscher geführt. Rechts vom
Anlasser habe ich die Wasserschläuche der Heizung angeschlossen.
Motor --> Heizung EIN , Heizung AUS --> Heizungswärmetauscher --> zurück zum Motor.
Schlauchverbinderröhrchen 18mm / 18mm verwenden.
|
|