Home_english
Volkswagen Van
Auxiliary heater

The auxiliary heater (a WEBASTO water heater) of the white van is now installed in the Multivan. The installation documentation:

It is a diesel system from Webasto, Typ “Thermo Top S” with a separate fuel pump (not on the picture).

The heater is installed behind the backllight and next to the battery. This is a dry place and the exhaust gas pipe can easiliy be installed under it.

The black part holds the heater and the exhaus gas pipe endplate.

On the following pictures you can see how I installed the heater (DRAWING). The correct angle is important to allow the water hoses to pass the battery. Next to the battery is a small place left for the electrical fuses.

without battery you can see the heater and the water hoses.

 

The water hoses are kept in plastic pipes where they pass the battery.

This sealing for the exhaust at the bottom of the heater is very important and has to be replaced when the heater is re- installed..

The old and the new exhaus gas pipe.

The cables and the holder for the fuses.

The fuse-holder can be installed between battery and heater.

The cables are in the white plastic pipe under the car.

Isolation material around the (thin) water hoses helps to bring the warm water to its destination before it is cold ...

The fuel pump is separate .

Connect the fuel source to the tank. Use the side where the superfluous fuel comes back from the engine because this side is without pressure.

The cables, fuel and water hoses in the motor compartment.

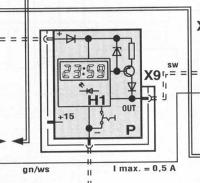
How to drill the holes for the clock: PLAN

Electrical connection to the standard heating system’s ventilators (speed 1): CIRCUIT

See above the connections of the clock and on the right side how the connector is used; the table on the right shows the plug as drawn in the picture above.

left top not used

right top black (OUT)

brown  GND

red (12V +)

This is where the cables come out from inside. This is behind the frontlight.

The water circuit: at the front of the cylinder head the warm water comes out of the motor, passes the starter and is flowing to the heat outlet in the front of the car. Next to the starter the auxiliary heater’s water connections to the system were made.

motor --> heater in , heater out --> standard heat outlet in the front of the car --> back to the motor.

Use water hose connectors 18mm / 18mm.